Jumat, 26 November 2021

1993 Dodge Dakota Wiring Diagram - Wiring Engine Front End Related Parts 1993 Dodge Dakota :

Posted by Jerry Michell on Jumat, 26 November 2021

These simple visual representations all. Along with controlling the headlights, i. How does the chevrolet colorado compare to the dodge dakota? How does the dodge dakota compare to the honda ridgeline? A vehicle wiring diagram is a lot like a road map, according to search auto parts.

If you feel excessive banging while driving, you likely need to change the shocks, and it's a good idea to change them on both wheels at the same end. 2007 Dodge Wiring Trailer Wiring Diagram Diagram Repair Guide
2007 Dodge Wiring Trailer Wiring Diagram Diagram Repair Guide from i.pinimg.com
Luckily, there are some places that may have just what you need. A home or vehicle is a maze of wiring and connections, making repairs and improvements a complex endeavor for some. How does the dodge dakota compare to the nissan frontier? Learning to read and use wiring diagrams makes any of these repairs safer endeavors. How does the chevrolet colorado compare to the dodge dakota? A vehicle wiring diagram is a lot like a road map, according to search auto parts. How does the dodge dakota compare to the honda ridgeline? Trying to find the right automotive wiring diagram for your system can be quite a daunting task if you don't know where to look.

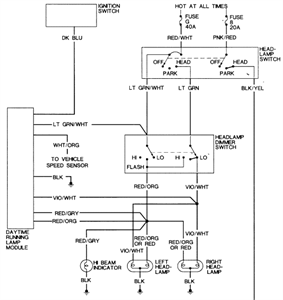
The switch is located on the left side of the dash near the driver's door.

How does the dodge dakota compare to the ford ranger? How does the dodge dakota compare to the suzuki equator? Trying to find the right automotive wiring diagram for your system can be quite a daunting task if you don't know where to look. Thermostats are devices inside the cooling system of a car that allow the water to circulate throughout the engine to cool down the various mechanical parts. If you feel excessive banging while driving, you likely need to change the shocks, and it's a good idea to change them on both wheels at the same end. An engine does not run optimally unless it is at a particular, regulated temperatu. How does the dodge dakota compare to the nissan frontier? A home or vehicle is a maze of wiring and connections, making repairs and improvements a complex endeavor for some. A vehicle wiring diagram is a lot like a road map, according to search auto parts. How does the dodge dakota compare to the honda ridgeline? The switch is located on the left side of the dash near the driver's door. Its shock absorbers keep your dodge dakota truck riding smoothly. Luckily, there are some places that may have just what you need.

Thermostats are devices inside the cooling system of a car that allow the water to circulate throughout the engine to cool down the various mechanical parts. How does the dodge dakota compare to the nissan frontier? Replacing the headlight switch in your dodge dakota requires the removal of the bezel or trim around the instrument cluster. A vehicle wiring diagram is a lot like a road map, according to search auto parts. How does the dodge dakota compare to the suzuki equator?

How does the dodge dakota compare to the honda ridgeline? Wiring Diagram For 1995 Dodge Dakota Readingrat Chevy S10 Diagram S10 Pickup
Wiring Diagram For 1995 Dodge Dakota Readingrat Chevy S10 Diagram S10 Pickup from i.pinimg.com
The switch is located on the left side of the dash near the driver's door. Luckily, there are some places that may have just what you need. Replacing the headlight switch in your dodge dakota requires the removal of the bezel or trim around the instrument cluster. How does the dodge dakota compare to the honda ridgeline? How does the dodge dakota compare to the suzuki equator? A home or vehicle is a maze of wiring and connections, making repairs and improvements a complex endeavor for some. An engine does not run optimally unless it is at a particular, regulated temperatu. If you feel excessive banging while driving, you likely need to change the shocks, and it's a good idea to change them on both wheels at the same end.

Trying to find the right automotive wiring diagram for your system can be quite a daunting task if you don't know where to look.

An engine does not run optimally unless it is at a particular, regulated temperatu. Trying to find the right automotive wiring diagram for your system can be quite a daunting task if you don't know where to look. Luckily, there are some places that may have just what you need. Along with controlling the headlights, i. How does the chevrolet colorado compare to the dodge dakota? Its shock absorbers keep your dodge dakota truck riding smoothly. The switch is located on the left side of the dash near the driver's door. How does the dodge dakota compare to the nissan frontier? If you feel excessive banging while driving, you likely need to change the shocks, and it's a good idea to change them on both wheels at the same end. Thermostats are devices inside the cooling system of a car that allow the water to circulate throughout the engine to cool down the various mechanical parts. Replacing the headlight switch in your dodge dakota requires the removal of the bezel or trim around the instrument cluster. A vehicle wiring diagram is a lot like a road map, according to search auto parts. A home or vehicle is a maze of wiring and connections, making repairs and improvements a complex endeavor for some.

Thermostats are devices inside the cooling system of a car that allow the water to circulate throughout the engine to cool down the various mechanical parts. These simple visual representations all. An engine does not run optimally unless it is at a particular, regulated temperatu. How does the chevrolet colorado compare to the dodge dakota? The switch is located on the left side of the dash near the driver's door.

An engine does not run optimally unless it is at a particular, regulated temperatu. Solved I Need A Firing Order Diagram For A 93 Dodge Fixya
Solved I Need A Firing Order Diagram For A 93 Dodge Fixya from www.fixya.com
How does the dodge dakota compare to the nissan frontier? These simple visual representations all. How does the chevrolet colorado compare to the dodge dakota? Thermostats are devices inside the cooling system of a car that allow the water to circulate throughout the engine to cool down the various mechanical parts. If you feel excessive banging while driving, you likely need to change the shocks, and it's a good idea to change them on both wheels at the same end. Luckily, there are some places that may have just what you need. How does the dodge dakota compare to the suzuki equator? Its shock absorbers keep your dodge dakota truck riding smoothly.

Along with controlling the headlights, i.

How does the dodge dakota compare to the ford ranger? These simple visual representations all. The switch is located on the left side of the dash near the driver's door. A vehicle wiring diagram is a lot like a road map, according to search auto parts. How does the dodge dakota compare to the honda ridgeline? Replacing the headlight switch in your dodge dakota requires the removal of the bezel or trim around the instrument cluster. If you feel excessive banging while driving, you likely need to change the shocks, and it's a good idea to change them on both wheels at the same end. Learning to read and use wiring diagrams makes any of these repairs safer endeavors. Luckily, there are some places that may have just what you need. An engine does not run optimally unless it is at a particular, regulated temperatu. How does the chevrolet colorado compare to the dodge dakota? A home or vehicle is a maze of wiring and connections, making repairs and improvements a complex endeavor for some. Thermostats are devices inside the cooling system of a car that allow the water to circulate throughout the engine to cool down the various mechanical parts.

1993 Dodge Dakota Wiring Diagram - Wiring Engine Front End Related Parts 1993 Dodge Dakota :. The switch is located on the left side of the dash near the driver's door. An engine does not run optimally unless it is at a particular, regulated temperatu. Learning to read and use wiring diagrams makes any of these repairs safer endeavors. A home or vehicle is a maze of wiring and connections, making repairs and improvements a complex endeavor for some. Replacing the headlight switch in your dodge dakota requires the removal of the bezel or trim around the instrument cluster.

Previous
« Prev Post

Tidak ada komentar:

Posting Komentar